Weboldalunk használatával jóváhagyja a cookie-k használatát a Cookie-kkal kapcsolatos irányelv értelmében.
Beállítások módosítása
Elfogadom
Szükséges cookie-k
Ezek a cookie-k segítenek abban, hogy a webáruház használható és működőképes legyen.
Marketing cookie-k
Ezeket a cookie-k segítenek abban, hogy az Ön érdeklődési körének megfelelő reklámokat és termékeket jelenítsük meg a webáruházban.
×
Regisztráció
Belépés
Gyors Ajánlatkérés
Kapcsolat
Fizetés, szállítás
Szolgáltatások
Cikkek
Gyártók
Magyar
HUF
EUR
+36 (1) 278 2303
Termékeink
Csövek és rudak
Hidraulika acélcsövek
Horganyzott
Kezeletlen
Rozsdamentes
Krómozott anyagok
Rudak
Krómozott köracélok - 20MnV6
Krómozott köracélok - 38MnVS6 edzett
Krómozott köracélok - 42CrMo4
Krómozott köracélok - 42CrMo4 edzett
Krómozott köracélok - 42CrMo4 QT
Krómozott köracélok - CK45
Krómozott köracélok - CK45 edzett
Krómozott köracélok - rozsdamentes
Csövek
Varratmentes hónolt csövek
Varratmentes natúr acélcsövek
Munkahenger alkatrészek
Szárvezetők
Normál
Rövid
Középhosszú
S300
Nehéz
Löketcsillapítós
Búvárdugattyús hengerhez
Dugattyúk
Normál
Rövid
Löketcsillapítós önzáró rögzítéssel
Búvárdugattyús hengerhez
Menetes
Menetes - rövid
Menetes - önzáró
Menetes - önzáró PDH
Menetes - PDH
Menetes - GER
Menetes - vezetővel
Menetes - két részes
Hengerfenekek
Normál
Központosított
Menetes
Nehéz
Olajbevezetéssel
Hátsó olajbevezetéssel
Löketcsillapítós olajbevezetéssel
Keresztfuratos olajbevezetéssel
Keresztfuratos rögzíthető
Gömbcsapágyak
GE..ES
GE..ES 2RS
GE..LO
GE..HO 2RS
GE..FO
GE..FO 2RS
GE..UK
GE..UK 2RS
GE..FW
GE..FW 2RS
GE..TGR
GE..TGR 2RS
Henger és rúdvégek
Belsőmenetes
Külsőmenetes
Hegeszthető
Gömbtalpas
Gallérok
Villás
Csapszegek
Csonkok
Belsőmenetes
Külsőmenetes
Vak
Műanyag dugók
Glycodur perselyek
Gyűrűk
Önzáró anyák
Tömítéskészlet
Tömítések
Dugattyútömítések
Dugattyúgyűrűk
KGD
KPD
K2
K8
K9
K25
K50
YB(K8)
UP
UN
Horonygyűrűk
UP
UN
Szártömítések
AD
K51
S1
SD
HP sortömítés
S2
XAB
S8
Szennylehúzók
A27
A3
K30
SA
SAB
SAD
SAG
SMA
SMI
O-gyűrűk
EPDM
FPM
MVQ
NBR70
NBR90
Tömítőzsinórok
MVQ
NBR70
Vezetőszalagok
Keményszövet
PTFE-Bz
Vezetőgyűrűk
Alátétek
Rézalátétek
Tömlőfegyverzet tömítőgyűrűk
USIT
Eszközök
Tömítéskészletek
Alátétek
Munkahengerekhez
O-gyűrű készletdobozok
X-gyűrűk
Szimeringek
NBR - TC
FPM - TC VIT
Nyomásálló NBR - TCN
Nyomásálló FPM - TCN VIT
Pneumatika
Pneumatika henger tömítések
Szivattyúk
Axiáldugattyús
Fix
Nyomásszabályzott
Teljesítményszabályzott
Fogaskerék-szivattyú
Motor
Tartozékok
1 körös
2 körös
3 körös
4 körös
Belsőfogazású
Kézipumpák
Alkatrész
Csővezetékes
Tartály
Tartályra szerelhető
Lapátos szivattyúk
CAM-gyűrű
Csapágy
Csavar
Fedél
Fix szállítású
Nyomásszabályozott
Retesz
Stift
Szivattyúbetét
Szivattyúház
Tengely
Tömítés
Kiegészítők
Szivattyúbakok
Bak
Fogaskerék
Metrikus
SAE
Kiegészítők
Tengelykapcsolók
Csőmembrános
Fix kötésű
Fogasgyűrűs
Körmös
Csillagbetét
Megmunkált
Nyers
P típus
Védelem
Membrán
Szelepek
Mennyiségszelep
Áramosztó-összegző
Fojtó
Fojtó-visszacsapó
Háromutas állandósító
Kétutas állandósító
Zuhanásgátló
Nyomásszelep
Arányos nyomáscsökkentő
Arányos nyomáshatároló
Fékszelep
Kettős fékszelep
Kettős nyomáshatároló
Lekapcsoló szelep
Nyomáscsökkentő
Nyomáshatároló
Sorrend szelep
Tartozékok
Útváltók
Alaplapos
Csővezetékbe
Furatba
Közlapos
Sorolható
Tartozékok
Ülékes modulelemek
Fedél
Komplett
Ülék
Tartozékok
Visszacsapó
Vagyszelep
Vezérelt visszacsapó
Visszacsapó
Tartozékok
Elektromos csatlakozó
Proporcionális vezérlő
Szűrők
Beöntő-levegőztető
Betét
Komplett fém (A)
Komplett műanyag (B)
Levegő
Levegőztető
Betét
Komplett fém (A)
Komplett műanyag (B)
Komplett spin-on
Páramegkötő
Tartozékok
Mellékági
Betét
Komplett
Mobil hidraulika
Betét
Levegő
Patron
Nyomóági
Betét
Eltömődésjelző
Ház
Komplett
Tartozékok
Spin-on
Fej
Komplett
Patron
Szívóági
Betét
Eltömődésjelző
Ház
Komplett
Szűrőkosár fém (B)
Szűrőkosár fém (B) - MPA
Szűrőkosár fém (B) - MPM
Szűrőkosár műanyag (A)
Szűrőkosár műanyag (A) - STR
Tartozékok
Visszafolyóági
Betét
Eltömődésjelző
Ház
Komplett
Tartozékok
Víz
Betét
Ház
Egyéb
Alaplapok és Házak
Alaplap
FRM16
NG06
Fűzhető
Határolós
HIGH | LOW
NG10
Határolós
HIGH | LOW
NG16
NG25
Elosztótömb
Ház
2 utas
DBD06
DBD10
M20
M42
SAE08
SAE10
SAE12
3 utas
M22
TVTP
Közlap
Mérőpont
SAE08
Sorblokk
NG06
NG10
NG16
Váltólap
Zárólap
NG06
NG10
NG16
Hidromotorok
Fogaskerekes
Orbit
Kormányorbit
MH
MM
MMS
MP
MR
MRN
MS
MSS
MT
MTS
MV
MVW
Tartozékok
Torque - Char - Lynn
Torque - TF széria
Tömítéskészlet
Egyéb
Radiáldugattyús
MK széria
ML széria
MS széria
Hidroakkumulátorok
Alkatrész
Adapter
Bak
Bilincs
Kaucsukgyűrű
Pótzsák
Tömítéskészlet
Komplett
Dugattyús
Membrános
Zsákos
Szelep
Biztonsági szelep
Lekapcsoló szelep
Szeleptű
Töltőkészlet
Védőblokk
Töltőkészlet
Hőcserélők
Csőköteges
Lemezes
Levegős
Tartozék
Diagnosztika
Átfolyásmérők
Áramlásjelző
Áramláskapcsoló
Hőfokmérők
Elektromos
Optikai
Nyomáskapcsolók
Membrános
Gomba
Közlap
Tartozék
Tolattyús
Vákuum
Nyomásmérők
Csillapítás nélküli
Csillapított
Elektronikus
Szelepek
Tartozék
Nyomástávadók
A - 4-20mA
B - 0-10V
Tartozékok
Szenzorok
HEDE
Hőmérséklet
SCP
SCPSD
Szintjelzők
Elektromos
Mechanikus
Optikai
Teszterek
Tömlők
Hidraulika tömlők
Acélbetétes tömlők
Ikertömlők
Mérőtömlők
Műanyagtömlők
Szívótömlők
Textilbetétes tömlők
Ipari tömlők
Elszívótömlők
Mosótömlők
Nitrogéntömlők
Nyomótömlők
Összedugós / Push-Lok tömlők
Préslég tömlők (Levegő | Víz)
Spiráltömlők
Szemcseszóró tömlők
Szívó-nyomó tömlők
Teflontömlők
Üzemanyagtömlők
Víztömlők
Vakuumtömlő
Egyéb levegő | víz
Tömlőszerelvények
Biztonság
Bilincs
Bowden
Fegyverzet
Flansni lefogók
Egész
Pár
Tömlőcsatlakozók
Hántolás nélküli
BSP
Egyenes
Külső menetes
45°-os könyök
90°-os könyök
Csővég
Egyenes
45°-os könyök
90°-os könyök
Francia
Egyenes
Külső menetes
Gázpalackhoz
JIC
Egyenes
Külső menetes
45°-os könyök
90°-os könyök
Karcher
JIS | K
DKOL | CEL
Egyenes
Külső menetes
45°-os könyök
90°-os könyök
DKOS | CES
Egyenes
Külső menetes
45°-os könyök
90°-os könyök
DKL
Egyenes
90°-os könyök
DKM | Metrikus 60° kúp
Egyenes
90°-os könyök
NPT
ORFS
Egyenes
Külső menetes
45°-os könyök
90°-os könyök
SFL
Egyenes
45°-os könyök
90°-os könyök
SFS
Egyenes
45°-os könyök
90°-os könyök
Szemes colos
Szemes metrikus
Toldó
JIS / T
Egyenes
Külső menetes
90°-os könyök
Kiszakadásbiztos
BSP
Egyenes
45°-os könyök
90°-os könyök
JIC
Egyenes
Külső menetes
45°-os könyök
90°-os könyök
DKOS / CES
Egyenes
Külső menetes
45°-os könyök
90°-os könyök
NPT
ORFS
Egyenes
45°-os könyök
90°-os könyök
Peremes Caterpillar
Egyenes
45°-os könyök
90°-os könyök
SFL
Egyenes
45°-os könyök
90°-os könyök
SFS
Egyenes
45°-os könyök
90°-os könyök
Mérőcsatlakozók
Manométer
Mérőpont
DKOL / CEL
Egyenes
90°-os könyök
DKOS / CES
Szerelhető csatlakozók
BSP
Metrikus
Hüvelyek
Hántolás nélküli
1SC
1SN / 1SC / 2SC
1SN / 2SN
1SN / 2SN / 2SC
Hántolásos
Kiszakadásbiztos
1SN
1SN / 2SN / 2SC
2SN
4SP
Mérő
Műanyag
Szívó
Teflon
Textil
Védelem
Fém
Hőálló
Műanyag
Csatlakozók
Bilincsek
AWAB
Csőbilincs
Szimpla
Dupla
Nehéz
Gumis
Nehéz
Tartozékok
Egyéb
CETOP karimák
Csavarzatok
Átereszcsavar - ATE
BSPP
Metrikus betekerő
Egyenes adapter - AD
Egyenes idom - G
Egyenes becsavarható - GE
Egyenes hegeszthető - AS
Egyéb
Egyenes összekötő - GZ
Egyenes összekötő szűkítő - GZR
Egyenes rácsavarható - GAI
Egyenes rátét becsavarható - EGE
Egyenes szűkítő - GR
Falazatátvezető - SV
Falazatátvezető könyök - WSV
Hegeszthető csővég - SKA
Hollander - M
Karmantyú - KAR
K-idom
Könyök idom - W
Könyök beállítható - WEE, WH
Könyök becsavarható - WE
Könyök összekötő - WZ
Könyök rátét - EW
L-idom rátét - EL
Könyök 45°
Manométer csatlakozás - MAV, MAVE, SSV
Mérőpont - MNMB DKO, EMA3
Szűkítő rátét - RED
T - idom
T - idom beállítható - TEE, TH
T - idom becsavarható - TE
T - idom rátét - ET
T - idom szűkítő - TR
Vágógyűrű - DKA, DPR, DOZ
Váltó, szűkítő - RI
Zárócsavar hollanderbe - ROV
Zárócsavar tömbbe - VSTI
Záródugó hollanderbe - BUZ, VKA
Záróhollander - VKAM
Peremes
Csavarzatok - INOX
Beállítható könyök
Becsavarható
Becsavarható könyök
BSP - NPT
Egyenes
Egyenes rátét
EL - idom
ET - idom
Falazatátvezető
Falazatátvezető könyök
Hegeszthető
Hollander
Könyök
Könyök rátét
Manométer csatlakozó
Metrikus - NPT
Redukáló
T - idom
Vágógyűrű
Flansnik
Flansni
3000PSI
6000PSI
Egyenes flansni
3000PSI
6000PSI
Ellenflansni
3000PSI
6000PSI
Könyök flansni
3000PSI
6000PSI
SAE mérő
Záróflansni
Forgócsatlakozók
Egyenes
Könyök
Gyorscsatlakozók
PAV
PBV
PDV
PLT
Tartozékok
Porvédő
PPV
PVM
PVS
PVV
Egyéb
Kompenzátorok
Szivattyú idomok
Egyenes
Könyök
Vizes
Csap
Gyorscsatlakozó
Idom
Tartozékok
Visszacsapó
Egyéb
Vízszerelési anyagok
Belső - belső
Egyenes
EL - idom
ET - idom
Könyök
Könyök rátét
Redukáló
T - idom
Záródugó
Zárótányér
Pneumatika
Csatlakozók
Dugaszolós
Funkció csavarzat
Hangtompító
Hollanderes
Idom
Gyorscsatlakozó
Tömbök
Egyéb
Quick
Levegőelőkészítők
Lágyfeltöltő
Levegőelőkészítő
Manométerek
Nyomásszabályzó
Olajzó
Szűrő
Szűrő-szabályzó
Tartozékok
Egyéb
Motor
Munkahenger
ISO 15552 - Profil
ISO 21287 - Kompakt
ISO 6432 - Körprofil
Szorító
Tartozékok
Egyéb
Szelepek
Tömlők
PA
PTFE
PU
Egyéb
INOX
Tömítések
Pneumatika henger tömítések
Gyártók
Parker
Danfoss
Eaton
MP Filtri
Rexroth
Ronzio
Vickers
2mp
ASA Hydraulik
Denison
EPE
Poclain
Sun
AMI
Atos
B&C
Berarma
Bosch
Brevini
Bucher
Ciocca
Comatrol
Hydac
Kladivar Ziri
TDZ Hydraulics
Tognella
Tokyo Keiki (Tokimec)
Dentex
Segédanyagok
Egyéb géptartozékok
Elektronika
Csatlakozó
Kapcsolók
Szenzor | Aktuátor kábel
Villanymotor tartozékok
Tápegységek
Tartozékok
Mechanika
Gázrugó
Kéziszerszámok
Retesz
Sín
Szíj
Munkahengerek
Egyszeres működésű
Búvárdugattyús
Csavar
Belső kulcsnyílású
Kenőrendszer
Csatlakozó
Kezdőlap
Csatlakozók
Csavarzatok
Könyök rátét - EW
Könyök rátét - EW 28-L
Fizetési, szállítási információk
Szolgáltatásaink
Kapcsolat
9.500,00 Ft
+ ÁFA
Menny.:
db
Kosárba
Könyök rátét - EW 28-L
9.500,00 Ft
+ ÁFA
Menny.:
db
Kosárba
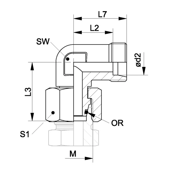
Anyag
Acél
Csatlakozás 1
Metrikus hollander belső menet
Csatlakozás 2
Metrikus külső menet
Csatlakozás - M (mm)
M 36 x 2
Csatlakozó altípusa
Metrikus menet - könnyű kivitel (EW-L)
Csatlakozó típusa
Könyök rátét - EW
Ø d2 (mm)
28
Felület
Galvanikus bevonat
Kivitel
L
L2 (mm)
30.5
L3 (mm)
43
L7 (mm)
38
S1 (mm)
41
SW (mm)
36
Szabvány
ISO 8434-1
Szerkezeti forma
Könyök rátét - EW
Terjedelem
Hollandi, vágógyűrű nélkül
Tömítés 1
24°-os külső kúp
Tömítés 2
24°-os belső kúp
Üzemi nyomás (bar)
160
Fő kategória
Csavarzatok
Alkategória
Könyök rátét - EW
Gyártó
Nincs
Gyártó cikkszám:
VEWONW25HL
Cikkszám:
HQCEW28L00
Raktárkészlet:
20 db raktáron
Gyártó:
Nem besorolt
Hasonló termékek
Könyök rátét (EW-BSP) - (H-K) - G1"
11.000,00 Ft + ÁFA
Kívánságlistára teszem
Könyök rátét - EW 20-S
7.500,00 Ft + ÁFA
Kívánságlistára teszem
Könyök rátét (EW-BSP) - (H-K) - G3/4"
6.700,00 Ft + ÁFA
Kívánságlistára teszem
Könyök rátét - EW 25-S
12.500,00 Ft + ÁFA
Kívánságlistára teszem
Könyök rátét - EW 35-L
12.500,00 Ft + ÁFA
Kívánságlistára teszem
Könyök rátét - EW 22-L
6.200,00 Ft + ÁFA
Kívánságlistára teszem
Könyök rátét - (EW-UNF) - JIC 1.1/16"-12
5.700,00 Ft + ÁFA
Kívánságlistára teszem
Könyök rátét - (EW-UNF) - JIC 1.5/16"-12
5.600,00 Ft + ÁFA
Kívánságlistára teszem
Belépés
Regisztráció
Csövek és rudak
Hidraulika acélcsövek
Horganyzott
Kezeletlen
Rozsdamentes
Krómozott anyagok
Rudak
Krómozott köracélok - 20MnV6
Krómozott köracélok - 38MnVS6 edzett
Krómozott köracélok - 42CrMo4
Krómozott köracélok - 42CrMo4 edzett
Krómozott köracélok - 42CrMo4 QT
Krómozott köracélok - CK45
Krómozott köracélok - CK45 edzett
Krómozott köracélok - rozsdamentes
Csövek
Varratmentes hónolt csövek
Varratmentes natúr acélcsövek
Munkahenger alkatrészek
Szárvezetők
Normál
Rövid
Középhosszú
S300
Nehéz
Löketcsillapítós
Búvárdugattyús hengerhez
Dugattyúk
Normál
Rövid
Löketcsillapítós önzáró rögzítéssel
Búvárdugattyús hengerhez
Menetes
Menetes - rövid
Menetes - önzáró
Menetes - önzáró PDH
Menetes - PDH
Menetes - GER
Menetes - vezetővel
Menetes - két részes
Hengerfenekek
Normál
Központosított
Menetes
Nehéz
Olajbevezetéssel
Hátsó olajbevezetéssel
Löketcsillapítós olajbevezetéssel
Keresztfuratos olajbevezetéssel
Keresztfuratos rögzíthető
Gömbcsapágyak
GE..ES
GE..ES 2RS
GE..LO
GE..HO 2RS
GE..FO
GE..FO 2RS
GE..UK
GE..UK 2RS
GE..FW
GE..FW 2RS
GE..TGR
GE..TGR 2RS
Henger és rúdvégek
Belsőmenetes
Külsőmenetes
Hegeszthető
Gömbtalpas
Gallérok
Villás
Csapszegek
Csonkok
Belsőmenetes
Külsőmenetes
Vak
Műanyag dugók
Glycodur perselyek
Gyűrűk
Önzáró anyák
Tömítéskészlet
Tömítések
Dugattyútömítések
Dugattyúgyűrűk
KGD
KPD
K2
K8
K9
K25
K50
YB(K8)
UP
UN
Horonygyűrűk
UP
UN
Szártömítések
AD
K51
S1
SD
HP sortömítés
S2
XAB
S8
Szennylehúzók
A27
A3
K30
SA
SAB
SAD
SAG
SMA
SMI
O-gyűrűk
EPDM
FPM
MVQ
NBR70
NBR90
Tömítőzsinórok
MVQ
NBR70
Vezetőszalagok
Keményszövet
PTFE-Bz
Vezetőgyűrűk
Alátétek
Rézalátétek
Tömlőfegyverzet tömítőgyűrűk
USIT
Eszközök
Tömítéskészletek
Alátétek
Munkahengerekhez
O-gyűrű készletdobozok
X-gyűrűk
Szimeringek
NBR - TC
FPM - TC VIT
Nyomásálló NBR - TCN
Nyomásálló FPM - TCN VIT
Pneumatika
Pneumatika henger tömítések
Szivattyúk
Axiáldugattyús
Fix
Nyomásszabályzott
Teljesítményszabályzott
Fogaskerék-szivattyú
Motor
Tartozékok
1 körös
2 körös
3 körös
4 körös
Belsőfogazású
Kézipumpák
Alkatrész
Csővezetékes
Tartály
Tartályra szerelhető
Lapátos szivattyúk
CAM-gyűrű
Csapágy
Csavar
Fedél
Fix szállítású
Nyomásszabályozott
Retesz
Stift
Szivattyúbetét
Szivattyúház
Tengely
Tömítés
Kiegészítők
Szivattyúbakok
Bak
Fogaskerék
Metrikus
SAE
Kiegészítők
Tengelykapcsolók
Csőmembrános
Fix kötésű
Fogasgyűrűs
Körmös
Csillagbetét
Megmunkált
Nyers
P típus
Védelem
Membrán
Szelepek
Mennyiségszelep
Áramosztó-összegző
Fojtó
Fojtó-visszacsapó
Háromutas állandósító
Kétutas állandósító
Zuhanásgátló
Nyomásszelep
Arányos nyomáscsökkentő
Arányos nyomáshatároló
Fékszelep
Kettős fékszelep
Kettős nyomáshatároló
Lekapcsoló szelep
Nyomáscsökkentő
Nyomáshatároló
Sorrend szelep
Tartozékok
Útváltók
Alaplapos
Csővezetékbe
Furatba
Közlapos
Sorolható
Tartozékok
Ülékes modulelemek
Fedél
Komplett
Ülék
Tartozékok
Visszacsapó
Vagyszelep
Vezérelt visszacsapó
Visszacsapó
Tartozékok
Elektromos csatlakozó
Proporcionális vezérlő
Szűrők
Beöntő-levegőztető
Betét
Komplett fém (A)
Komplett műanyag (B)
Levegő
Levegőztető
Betét
Komplett fém (A)
Komplett műanyag (B)
Komplett spin-on
Páramegkötő
Tartozékok
Mellékági
Betét
Komplett
Mobil hidraulika
Betét
Levegő
Patron
Nyomóági
Betét
Eltömődésjelző
Ház
Komplett
Tartozékok
Spin-on
Fej
Komplett
Patron
Szívóági
Betét
Eltömődésjelző
Ház
Komplett
Szűrőkosár fém (B)
Szűrőkosár fém (B) - MPA
Szűrőkosár fém (B) - MPM
Szűrőkosár műanyag (A)
Szűrőkosár műanyag (A) - STR
Tartozékok
Visszafolyóági
Betét
Eltömődésjelző
Ház
Komplett
Tartozékok
Víz
Betét
Ház
Egyéb
Alaplapok és Házak
Alaplap
FRM16
NG06
Fűzhető
Határolós
HIGH | LOW
NG10
Határolós
HIGH | LOW
NG16
NG25
Elosztótömb
Ház
2 utas
DBD06
DBD10
M20
M42
SAE08
SAE10
SAE12
3 utas
M22
TVTP
Közlap
Mérőpont
SAE08
Sorblokk
NG06
NG10
NG16
Váltólap
Zárólap
NG06
NG10
NG16
Hidromotorok
Fogaskerekes
Orbit
Kormányorbit
MH
MM
MMS
MP
MR
MRN
MS
MSS
MT
MTS
MV
MVW
Tartozékok
Torque - Char - Lynn
Torque - TF széria
Tömítéskészlet
Egyéb
Radiáldugattyús
MK széria
ML széria
MS széria
Hidroakkumulátorok
Alkatrész
Adapter
Bak
Bilincs
Kaucsukgyűrű
Pótzsák
Tömítéskészlet
Komplett
Dugattyús
Membrános
Zsákos
Szelep
Biztonsági szelep
Lekapcsoló szelep
Szeleptű
Töltőkészlet
Védőblokk
Töltőkészlet
Hőcserélők
Csőköteges
Lemezes
Levegős
Tartozék
Diagnosztika
Átfolyásmérők
Áramlásjelző
Áramláskapcsoló
Hőfokmérők
Elektromos
Optikai
Nyomáskapcsolók
Membrános
Gomba
Közlap
Tartozék
Tolattyús
Vákuum
Nyomásmérők
Csillapítás nélküli
Csillapított
Elektronikus
Szelepek
Tartozék
Nyomástávadók
A - 4-20mA
B - 0-10V
Tartozékok
Szenzorok
HEDE
Hőmérséklet
SCP
SCPSD
Szintjelzők
Elektromos
Mechanikus
Optikai
Teszterek
Tömlők
Hidraulika tömlők
Acélbetétes tömlők
Ikertömlők
Mérőtömlők
Műanyagtömlők
Szívótömlők
Textilbetétes tömlők
Ipari tömlők
Elszívótömlők
Mosótömlők
Nitrogéntömlők
Nyomótömlők
Összedugós / Push-Lok tömlők
Préslég tömlők (Levegő | Víz)
Spiráltömlők
Szemcseszóró tömlők
Szívó-nyomó tömlők
Teflontömlők
Üzemanyagtömlők
Víztömlők
Vakuumtömlő
Egyéb levegő | víz
Tömlőszerelvények
Biztonság
Bilincs
Bowden
Fegyverzet
Flansni lefogók
Egész
Pár
Tömlőcsatlakozók
Hántolás nélküli
BSP
Egyenes
Külső menetes
45°-os könyök
90°-os könyök
Csővég
Egyenes
45°-os könyök
90°-os könyök
Francia
Egyenes
Külső menetes
Gázpalackhoz
JIC
Egyenes
Külső menetes
45°-os könyök
90°-os könyök
Karcher
JIS | K
DKOL | CEL
Egyenes
Külső menetes
45°-os könyök
90°-os könyök
DKOS | CES
Egyenes
Külső menetes
45°-os könyök
90°-os könyök
DKL
Egyenes
90°-os könyök
DKM | Metrikus 60° kúp
Egyenes
90°-os könyök
NPT
ORFS
Egyenes
Külső menetes
45°-os könyök
90°-os könyök
SFL
Egyenes
45°-os könyök
90°-os könyök
SFS
Egyenes
45°-os könyök
90°-os könyök
Szemes colos
Szemes metrikus
Toldó
JIS / T
Egyenes
Külső menetes
90°-os könyök
Kiszakadásbiztos
BSP
Egyenes
45°-os könyök
90°-os könyök
JIC
Egyenes
Külső menetes
45°-os könyök
90°-os könyök
DKOS / CES
Egyenes
Külső menetes
45°-os könyök
90°-os könyök
NPT
ORFS
Egyenes
45°-os könyök
90°-os könyök
Peremes Caterpillar
Egyenes
45°-os könyök
90°-os könyök
SFL
Egyenes
45°-os könyök
90°-os könyök
SFS
Egyenes
45°-os könyök
90°-os könyök
Mérőcsatlakozók
Manométer
Mérőpont
DKOL / CEL
Egyenes
90°-os könyök
DKOS / CES
Szerelhető csatlakozók
BSP
Metrikus
Hüvelyek
Hántolás nélküli
1SC
1SN / 1SC / 2SC
1SN / 2SN
1SN / 2SN / 2SC
Hántolásos
Kiszakadásbiztos
1SN
1SN / 2SN / 2SC
2SN
4SP
Mérő
Műanyag
Szívó
Teflon
Textil
Védelem
Fém
Hőálló
Műanyag
Csatlakozók
Bilincsek
AWAB
Csőbilincs
Szimpla
Dupla
Nehéz
Gumis
Nehéz
Tartozékok
Egyéb
CETOP karimák
Csavarzatok
Átereszcsavar - ATE
BSPP
Metrikus betekerő
Egyenes adapter - AD
Egyenes idom - G
Egyenes becsavarható - GE
Egyenes hegeszthető - AS
Egyéb
Egyenes összekötő - GZ
Egyenes összekötő szűkítő - GZR
Egyenes rácsavarható - GAI
Egyenes rátét becsavarható - EGE
Egyenes szűkítő - GR
Falazatátvezető - SV
Falazatátvezető könyök - WSV
Hegeszthető csővég - SKA
Hollander - M
Karmantyú - KAR
K-idom
Könyök idom - W
Könyök beállítható - WEE, WH
Könyök becsavarható - WE
Könyök összekötő - WZ
Könyök rátét - EW
L-idom rátét - EL
Könyök 45°
Manométer csatlakozás - MAV, MAVE, SSV
Mérőpont - MNMB DKO, EMA3
Szűkítő rátét - RED
T - idom
T - idom beállítható - TEE, TH
T - idom becsavarható - TE
T - idom rátét - ET
T - idom szűkítő - TR
Vágógyűrű - DKA, DPR, DOZ
Váltó, szűkítő - RI
Zárócsavar hollanderbe - ROV
Zárócsavar tömbbe - VSTI
Záródugó hollanderbe - BUZ, VKA
Záróhollander - VKAM
Peremes
Csavarzatok - INOX
Beállítható könyök
Becsavarható
Becsavarható könyök
BSP - NPT
Egyenes
Egyenes rátét
EL - idom
ET - idom
Falazatátvezető
Falazatátvezető könyök
Hegeszthető
Hollander
Könyök
Könyök rátét
Manométer csatlakozó
Metrikus - NPT
Redukáló
T - idom
Vágógyűrű
Flansnik
Flansni
3000PSI
6000PSI
Egyenes flansni
3000PSI
6000PSI
Ellenflansni
3000PSI
6000PSI
Könyök flansni
3000PSI
6000PSI
SAE mérő
Záróflansni
Forgócsatlakozók
Egyenes
Könyök
Gyorscsatlakozók
PAV
PBV
PDV
PLT
Tartozékok
Porvédő
PPV
PVM
PVS
PVV
Egyéb
Kompenzátorok
Szivattyú idomok
Egyenes
Könyök
Vizes
Csap
Gyorscsatlakozó
Idom
Tartozékok
Visszacsapó
Egyéb
Vízszerelési anyagok
Belső - belső
Egyenes
EL - idom
ET - idom
Könyök
Könyök rátét
Redukáló
T - idom
Záródugó
Zárótányér
Pneumatika
Csatlakozók
Dugaszolós
Funkció csavarzat
Hangtompító
Hollanderes
Idom
Gyorscsatlakozó
Tömbök
Egyéb
Quick
Levegőelőkészítők
Lágyfeltöltő
Levegőelőkészítő
Manométerek
Nyomásszabályzó
Olajzó
Szűrő
Szűrő-szabályzó
Tartozékok
Egyéb
Motor
Munkahenger
ISO 15552 - Profil
ISO 21287 - Kompakt
ISO 6432 - Körprofil
Szorító
Tartozékok
Egyéb
Szelepek
Tömlők
PA
PTFE
PU
Egyéb
INOX
Tömítések
Pneumatika henger tömítések
Gyártók
Parker
Danfoss
Eaton
MP Filtri
Rexroth
Ronzio
Vickers
2mp
ASA Hydraulik
Denison
EPE
Poclain
Sun
AMI
Atos
B&C
Berarma
Bosch
Brevini
Bucher
Ciocca
Comatrol
Hydac
Kladivar Ziri
TDZ Hydraulics
Tognella
Tokyo Keiki (Tokimec)
Dentex
Segédanyagok
Egyéb géptartozékok
Elektronika
Csatlakozó
Kapcsolók
Szenzor | Aktuátor kábel
Villanymotor tartozékok
Tápegységek
Tartozékok
Mechanika
Gázrugó
Kéziszerszámok
Retesz
Sín
Szíj
Munkahengerek
Egyszeres működésű
Búvárdugattyús
Csavar
Belső kulcsnyílású
Kenőrendszer
Csatlakozó
Regisztráció
Belépés
Gyors Ajánlatkérés
Kapcsolat
Fizetés, szállítás
Szolgáltatások
Cikkek
Gyártók
Kapcsolat
+36 (1) 278 2303
szakuzlet@ogszhidraulika.hu
1211 Budapest Duna lejáró 8.