Weboldalunk használatával jóváhagyja a cookie-k használatát a Cookie-kkal kapcsolatos irányelv értelmében.

Magyar

Hungarian
English
Termékeink
Hengerfenék löketcsillapítós olajbevezetéssel - FR R0 040 050 C=50
9.700,00 Ft + ÁFA
Menny.:db

Hengerfenék löketcsillapítós olajbevezetéssel - FR R0 040 050 C=50

9.700,00 Ft + ÁFA
Menny.:db
Gyártó cikkszám: NBFFR0040050
Cikkszám: NF040050L0
Raktárkészlet: Rendelhető
Gyártó: --

Leírás és Paraméterek

A löketcsillapítós olajbevetéses hengerfenék leírása
  • A löketcsillapítás célja, hogy csökkentse a hengerben lévő hidraulikus folyadék hirtelen mozgásából eredő vibrációkat és ütéseket, amelyek károsíthatják a rendszert vagy csökkenthetik annak hatékonyságát.  
  • Az olajbevezetés a hidraulikus rendszerben biztosítja a megfelelő kenést és hűtést, ami növeli a henger és a teljes rendszer élettartamát, valamint hatékonyságát.  
  • Az olajbevezetés segít megőrizni a hidraulikus folyadék tisztaságát és megfelelő viszkozitását, ami elengedhetetlen a hidraulikus rendszer optimális működéséhez.  
  • A hengerfenék anyaga acél.
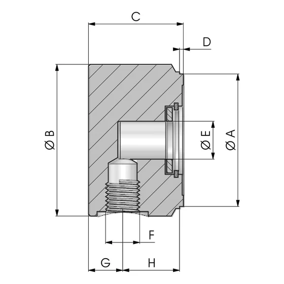
A löketcsillapítós olajbevetéses hengerfenék mérettáblázata
A löketcsillapítós olajbevetéses hengerfenék méret rajza

Kattintson a cikkszámra a kiválasztott termék árának és raktárkészletének megtekintéséhez.

Cikkszám A B C D E F G H kg
NF040050L0 40 50 50 2 14 1/4" 20 28 0,65
NF050060L0 50 60 50 2 18 3/8" 20 28 0,93
NF060070L0 60 70 50 2 21 3/8" 20 28 1,28
NF063073L0 63 73 50 2 21 3/8" 20 28 1,42
NF070080L0 70 80 50 2 21 3/8" 20 28 1,73
NF080095L0 80 95 50 2 26 1/2" 20 28 2,39
NF090105L0 90 105 50 2 26 1/2" 20 28 3,05
NF100115L0 100 115 50 2 26 1/2" 20 28 3,61