Weboldalunk használatával jóváhagyja a cookie-k használatát a Cookie-kkal kapcsolatos irányelv értelmében.

Magyar

Hungarian
English
Termékeink
Hengerfenék keresztfuratos olajbevezetéssel - FFE 080 090 0 C=75
18.800,00 Ft + ÁFA
Menny.:db

Hengerfenék keresztfuratos olajbevezetéssel - FFE 080 090 0 C=75

18.800,00 Ft + ÁFA
Menny.:db
Gyártó cikkszám: NBFFE0800900
Cikkszám: NF080090E0
Raktárkészlet: Rendelhető
Gyártó: --

Leírás és Paraméterek

A keresztfuratos olajbevezetéses hengerfenék leírása
  • A keresztfuratos olajbevezetéses hidraulikus munkahenger fenék speciális kialakítású, amely lehetővé teszi az olaj számára, hogy keresztirányban áramoljon a hengeren belül. Ez a kialakítás segít az olaj egyenletes elosztásában a hengeren belül, ami javíthatja a henger hatékonyságát és teljesítményét.  
  • A keresztfuratos olajbevezetés továbbá lehetővé teszi az olaj gyors és hatékony cseréjét vagy karbantartását, miközben csökkenti a rendszerben lévő levegő és szennyeződés kockázatát.  
  • A hengerfedél acélból készül, így erős és kopásálló és ellenáll a magas nyomásnak és a korróziónak.
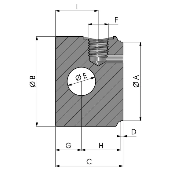
A keresztfuratos olajbevezetéses hengerfenék mérettáblázata
A keresztfuratos olajbevezetéses hengerfenék méret rajza

Kattintson a cikkszámra a kiválasztott termék árának és raktárkészletének megtekintéséhez.

Cikkszám A B C D E F G H I kg
NF040050E0 40 50 50 2 16.2 1/4" 15 33 30 0,63
NF050060E0 50 60 60 2 20.25 3/8" 20 38 38 1,08
NF060070E0 60 70 60 2 25.25 3/8" 23 35 38 1,42
NF070080E0 70 80 60 2 25.25 3/8" 23 35 38 1,94
NF080090E0 80 90 75 2 30.25 1/2" 25 48 47 3,04
NF080095E0 80 95 75 2 30.25 1/2" 25 48 47 3,40
NF100115E0 100 115 75 2 35.25 1/2" 30 43 47 4,96