Weboldalunk használatával jóváhagyja a cookie-k használatát a Cookie-kkal kapcsolatos irányelv értelmében.

Magyar

Hungarian
English
Termékeink
Dugattyú menetes rövid - BF 0 060 M24 C=35 M24×2
6.000,0 Ft + ÁFA
Menny.:db

Dugattyú menetes rövid - BF 0 060 M24 C=35 M24×2

6.000,0 Ft + ÁFA
Menny.:db
Gyártó cikkszám: NBPBF0060M24
Cikkszám: ND060024BF
Raktárkészlet: Rendelhető
Gyártó: --

Leírás és Paraméterek

A rövid kivtelű dugattyú leírása
  • A rövid munkahenger dugattyúkat rövid löket jellemzi, amelyek alacsony beépítési magasságot igényelnek. A rövid löket lehetővé teszi a kis helyigényű alkalmazásokban történő használatot.  
  • A rövid löketű munkahengerek teherbírása 10 és 100 tonna közötti, és leginkább kis lökethosszúságot igénylő általános emelési tevékenységekre alkalmasak.  
  • A menetes kialakítás lehetővé teszi a dugattyú könnyű csatlakoztatását és cserélhetőségét a munkahengerrel, valamint a tömítésekkel és egyéb alkatrészekkel.  
  • A dugattyú acélból készül és 200 bar maximális nyomásnak tud ellenállni.
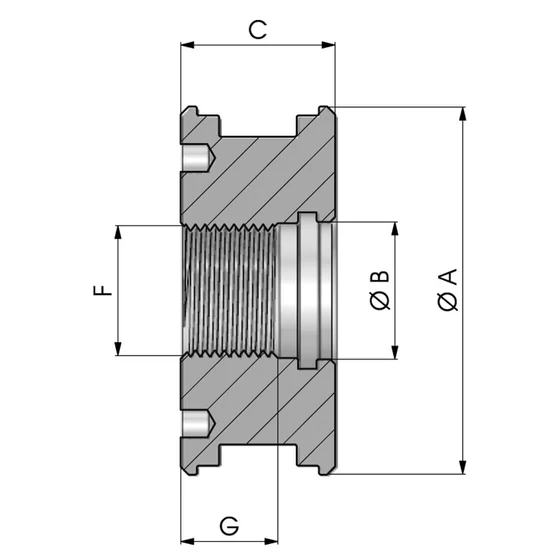
A rövid kitelű dugattyú mérettáblázata
A menetes - rövid kivitelű dugattyú méret rajza

Kattintson a cikkszámra a kiválasztott termék árának és raktárkészletének megtekintéséhez.

Cikkszám A B C F G kg
ND040016BF 40 17 27 M16X1.5 19 0,16
ND050020BF 50 21 30 M20X1.5 21 0,28
ND060024BF 60 25 35 M24X2 24 0,45
ND063024BF 63 25 35 M24X2 24 0,51
ND065024BF 65 25 35 M24X2 24 0,56
ND070024BF 70 25 35 M24X2 24 0,69
ND075027BF 75 28 40 M72X2 26 0,92
ND080027BF 80 28 40 M27X2 26 1,05
ND090033BF 90 35 40 M33X2 26 1,32
ND100033BF 100 35 40 M33X2 26 1,74